Светотехнический портал SvetoZone.ru Информационный портал по светотехнической отрасли, представленной на российском рынке.
E-mail (Регистрация) Пароль (Забыли?)
На главную страницу

Новая серия парковых светодиодных светильников FTP от светотехнического завода «ФЕРЕКС»

18 февраля 2022 г. Компания: Торговый дом Ферекс
Просмотров: 1444
Поделиться:

Наша новая серия светильников FTP - стильное дизайнерское решение для освещения парков, скверов, пешеходных зон и дорожек, променадов.

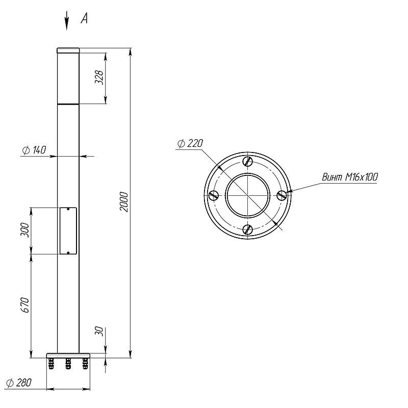
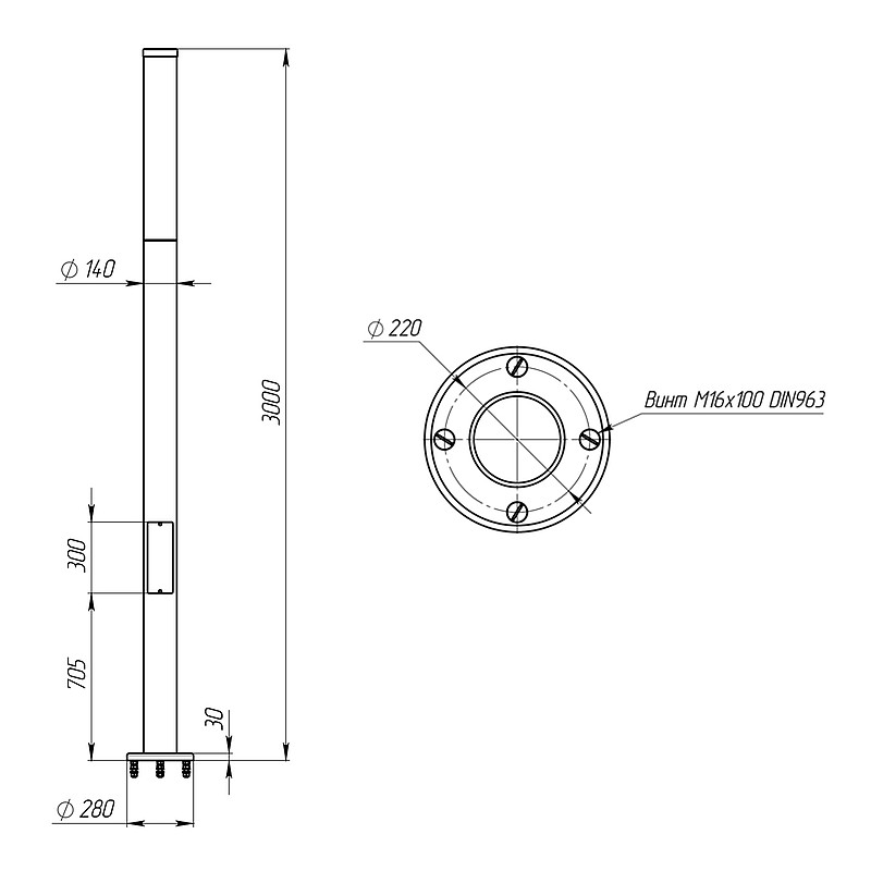
Светильник серии FTP представляет собой готовое решение - световая часть и опора выполнены в едином корпусе из алюминиевого профиля. Алюминиевый корпус с полимерным покрытием не подвержен коррозии. Все метизы выполнены из нержавеющей стали. Рассеиватель изготавливается из опалового поликарбоната.

Источник питания от мирового лидера в производстве драйверов - компании Mean Well. Для удобства обслуживания предусмотрен доступ к драйверу через технический лючок, который встроен в корпус и не портит лаконичного дизайна изделия.

Доступны две модификации: мощностью 16Вт и 35Вт. Световая эффективность - 128 Лм/Вт.

Габариты FTP 201-16-850 составляют ∅140х2000 мм; FTP 101-35-850 - ∅280х3000 мм. Вес новинок - 18 и 22 кг соответственно.

Конструктивно организовано равномерное распределение света на 360 градусов.

Монтаж выполняется на 4 потайных нержавеющих винта в бетонное основание или на мягкий грунт с закладной деталью. Закладная деталь фундамента приобретается отдельно.

Обеспечена высокая степень защиты световой части: IP66.

Температура эксплуатации: -40 ÷ +50 ⁰С.

Гарантийный срок: 5 лет.

Подробнее о компании
Торговый дом Ферекс
Торговый дом Ферекс, ООО
г. Казань (Республика Татарстан)
Тел.: 8 (800) 500 09 16
ООО «Торговый дом «Ферекс» - одно из крупнейших в России производств светодиодных светильников. Производственные мощности компании сосредоточены на двух площадках. Под маркой «Ферекс» ежемесячно выпускается более 50 тысяч единиц продукции. Ассортимент…
Последние новости
10 сентября, GALAD
Андрей Киричок на Rutube-канале Департамента инвестиционной и промышленной политики города Москвы
На Rutube-канале Департамента инвестиционной и промышленной…
04 марта, GALAD
Минобрнауки провело на кафедре светотехники МЭИ совещание по преодолению дефицита кадров в отрасли
Совещание провели заместитель Министра науки и высшего…
19 июня, GALAD
МСК «БЛ ГРУПП» и РАЭК подписали соглашение о сотрудничестве
МСК «БЛ ГРУПП» стала членом РАЭК. Членство в Ассоциации способствует коммуникациям поставщиков…
17 июня, GALAD
Фитооблучатели GALAD для теплицы в Калужской области
Для создания системы использованы специальные линейные светодиодные фитооблучатели разработки и производства…
Основное Каталог светотехники Сервисы