Светотехнический портал SvetoZone.ru Информационный портал по светотехнической отрасли, представленной на российском рынке.
E-mail (Регистрация) Пароль (Забыли?)
На главную страницу

Торгово-офисный светодиодный светильник ЛУЧ-3х8 LED Ф МИНИ ГРИЛЬЯТО

29 марта 2023 г. Компания: Электротехника и Автоматика
Просмотров: 136
Поделиться:

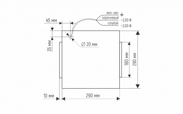
Офисные светодиодные светильники ЛУЧ LED предназначены для общего и дежурного освещения административно-бытовых, офисных, жилых, торговых, складских и прочих помещений.

Характеристики:

Напряжение питания ~220 В, 50 Гц

Потребляемая мощность 15 Вт

Степень защиты оболочки IP 20

Световой поток без рассеивателя 1480 Лм

Цветовая температура 5700 К

Коэффициент пульсации <1

Наличие дежурного режима и тип датчика Ф - фотодатчик

Вид климатического исполнения УХЛ 4

Класс электробезопасности I

Класс энергоэффективности А

Коэффициент световой отдачи 0.91

Тип кривой силы света Д-косинусная

Индекс цветопередачи 80

Значение Cos φ 1

Количество источников света 27

Оптический порог срабатывания 10 Лк

Ресурс работы светодиодов до 100 000 часов

Габаритные размеры 285 × 285 × 40 мм

Масса 0,94 кг

Диапазон рабочих температур -20…+55 °С

Относит. влажность воздуха при 25 °С 95%

Гарантия 3 года.

Подробнее о компании
Электротехника и Автоматика
Электротехника и Автоматика, Группа компаний
г. Омск
Тел.: 8 (3812) 358-150
Группа компаний «Электротехника и Автоматика» предлагает линейку надежных светодиодных светильников ЛУЧ, предназначенных для освещения офисных, торговых, производственных, муниципальных (школы, детские сады, больницы) помещений, сферы ЖКХ, вспомогательных…
Последние новости
10 сентября, GALAD
Андрей Киричок на Rutube-канале Департамента инвестиционной и промышленной политики города Москвы
На Rutube-канале Департамента инвестиционной и промышленной…
04 марта, GALAD
Минобрнауки провело на кафедре светотехники МЭИ совещание по преодолению дефицита кадров в отрасли
Совещание провели заместитель Министра науки и высшего…
19 июня, GALAD
МСК «БЛ ГРУПП» и РАЭК подписали соглашение о сотрудничестве
МСК «БЛ ГРУПП» стала членом РАЭК. Членство в Ассоциации способствует коммуникациям поставщиков…
17 июня, GALAD
Фитооблучатели GALAD для теплицы в Калужской области
Для создания системы использованы специальные линейные светодиодные фитооблучатели разработки и производства…
Основное Каталог светотехники Сервисы